益詮精密股份有限公司
繁體中文
English
简体中文
關於我們
產品介紹
最新消息
展覽
服務據點
檔案下載
聯絡我們
Facebook
次選單
商品介紹
刀片
鎢鋼端銑刀
外徑車刀架
外徑出水車刀架
走心式車刀架
製作手工具的車刀架
內徑車刀架
切斷刀架
端銑刀與刀盤
快速鑽頭
機床配件
搪孔刀、內孔刀具定位座、中心鑽刀桿
搪孔刀
內孔刀具定位座
中心鑕刀桿
外徑墊高輔助刀座
鎢鋼圓形鋸片刀桿
套筒
夾頭柄與筒夾
微小徑鎢鋼內徑車刀
商品介紹
機床配件
搪孔刀、內孔刀具定位座、中心鑽刀桿
內孔刀具定位座
搪孔刀、內孔刀具定位座、中心鑽刀桿
套筒
夾頭柄與筒夾
商品明細
ETHR0000
型號:ETHR0000
詢價
處理中請稍候...
商品詳細介紹
切削參數
ETHR0000
內孔刀具定位座
商品型號
在庫
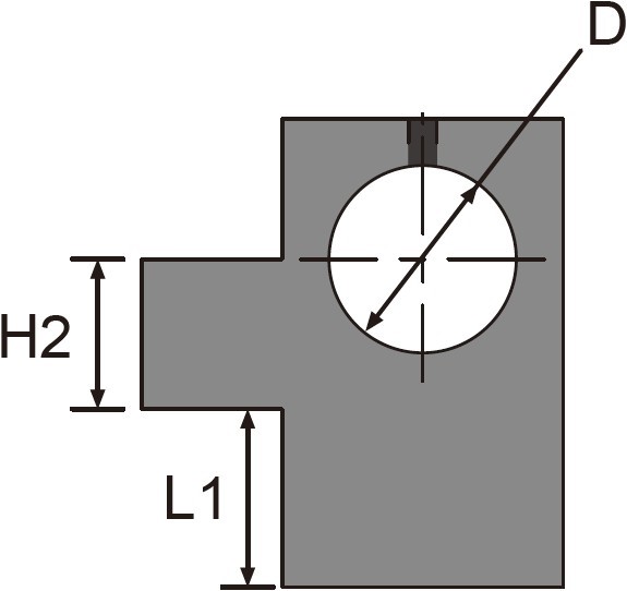
寸法(mm)
無頭螺絲
L型板手
D
L
L1
H
H2
ETHR2032
32
80
18
64
20
ES-808
LW040
ETHR2532
32
80
18
64
25
ES-808
LW040
ETHR2540
40
90
30
76
25
ES-810
LW040
ETHR3240
40
90
30
76
32
ES-810
LW040
ETHR2040
40
90
30
76
20
ES-810
LW040
回列表頁
詢價車
0
Facebook
TOP